Supports S.C

Supports S.C

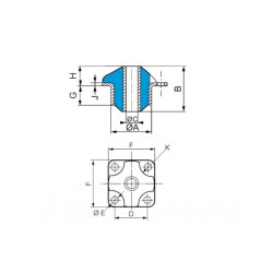
L'armature extérieure est un cylindre avec collerette (4 formes différentes).

Le support S.C est constitué d'un anneau de caoutchouc adhéré à deux armatures concentriques.

Quantité

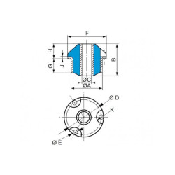
Le support S.C est constitué d'un anneau de caoutchouc adhéré à deux armatures concentriques.

L'armature extérieure est un cylindre avec collerette (4 formes différentes).

Propriétés :

  • Une élasticité axiale quatre fois plus importante que l'élasticité radiale
  • Travail du caoutchouc en cisaillement
  • Effet de butée progressive en cas de chocs ou surcharges accidentels, avec rondelle métallique de talonnement
  • Permet de réaliser des montages sécuritifs

Avantages :

  • Gamme étendue : 3 duretés de caoutchouc disponibles
  • 20 types existants permettant d’optimiser le choix selon la charge et la fréquence perturbatrice

Notre gamme de mousses acoustiques s'associe idéalement aux propriétés anti-vibratoires des suspensions caoutchouc pour la réduction des bruits et nuisances sonores.

Les masses lourdes bitumes peuvent également être employées pour supprimer efficacement les vibrations des tôles minces.

Notre matériau Super-Résiliant peut être employé en complément pour désolidariser les éléments conducteurs de vibrations (dalles, socles rigides, tuyauteries...). Constitué de particules de caoutchouc liées entre elles, ce matériau souple bénéficie de toutes les propriétés amortissantes des élastomères tout en offrant un excellent rapport prix/performances.

Comparatif :